В компании "Агромаш" в Воронеже всегда в наличии запасные части для самопередвижной зерноочистительной машины, используемой для вторичной очистки семян МС-4,5 с номинальной производительностью до 4,5 тонн/час.
Зерноочистительные машины МС-4,5 применяются в разных по климату регионах для вторичной очистки бобовых, культурных зерновых, технических зерновых, а также семян трав и масленичных культур.
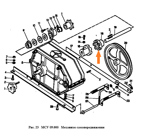
В компании "Агромаш" в наличии Полумуфта МСУ 09.112.
Приобретая в компании "Агромаш" в Воронеже запасные части для машин МС-4,5, вы получаете качественные сертифицированные детали, доступные цены, профессиональный подбор от специалистов "Агромаш". Возможна доставка в регионы.
Чтобы сделать заказ, используйте стандартную форму заявки внизу страницы, отправьте письмо на электронную почту agromash36@yandex.ru
Зерноочистительные машины МС-4,5 применяются в разных по климату регионах для вторичной очистки бобовых, культурных зерновых, технических зерновых, а также семян трав и масленичных культур.
В компании "Агромаш" в наличии Полумуфта МСУ 09.112.
Приобретая в компании "Агромаш" в Воронеже запасные части для машин МС-4,5, вы получаете качественные сертифицированные детали, доступные цены, профессиональный подбор от специалистов "Агромаш". Возможна доставка в регионы.
Чтобы сделать заказ, используйте стандартную форму заявки внизу страницы, отправьте письмо на электронную почту agromash36@yandex.ru
