Интернет-магазин

Сельскохозяйственная техника
запасные части и оборудование
agromash36@yandex.ru
Авито магазин

0
Нижний Новгород
Воронеж
Самара
Уфа
Ростов-на-Дону
Нижний Новгород
+7 (910) 129-71-54
+7 (952) 472-76-05
Заказать звонок
Каталог оборудования
  • Зерноочистительное оборудование
    Зерноочистительное оборудование
  • Аэраторы зерна
    Аэраторы зерна
  • Зернометательная техника
    Зернометательная техника
  • Техника для защиты семян / Протравливатели
    Техника для защиты семян / Протравливатели
  • Транспортеры и зернопровода
    Транспортеры и зернопровода
  • Передвижной загрузчик биг-бэгов ПЗ-100
    Передвижной загрузчик биг-бэгов ПЗ-100
  • Загрузчик ЗСН-25
    Загрузчик ЗСН-25
  • Решета и сита
    Решета и сита
  • Запчасти для сельхозтехники
    Запчасти для сельхозтехники
  • Нории зерновые
    Нории зерновые
  • Металлоконструкции ЗАВ
    Металлоконструкции ЗАВ
  • Грануляторы для комбикорма
    Грануляторы для комбикорма
  • Ковши норийные
    Ковши норийные
  • Ленты Нории
    Ленты Нории
Компания Агромаш
  • О компании
  • Отзывы
  • Реквизиты
  • Гарантии
  • Новости
  • Статьи
Доставка
Документация
Контакты
    Интернет-магазин
    Меню  
    • Каталог оборудования
      • Зерноочистительное оборудование
        • Машины предварительной очистки зерна
        • Первичная очистка семян
        • Вторичная очистка семян
      • Аэраторы зерна
      • Зернометательная техника
        • Зернометатель 100т/ч с редуктором
        • Зернометатель 100т/ч с мотор-редуктором
        • Зернометатель 150т/ч с редуктором
        • Зернометатель 150т/ч с мотор-редуктором
        • Зернометатель 200т/ч с мотор-редуктором
        • Ковшово Шнековый Погрузчик Р6-КШП-6
      • Техника для защиты семян / Протравливатели
      • Транспортеры и зернопровода
        • Транспортер зерна шнековый
        • Транспортер скребковый
        • Самотечное оборудование
          • Зернопровод самотечный
          • Зернопровод самотечный с футеровкой из полиуретана
          • Сектор зернопровода
          • Перекидной клапан
          • Переходные патрубки
          • Задвижка реечная
          • Циклоны (центробежные пылеотделители)
        • Гаситель скорости потока зерна
        • Загрузчики (зернопогрузочное оборудование)
        • Конвейерные ролики
      • Передвижной загрузчик биг-бэгов ПЗ-100
      • Загрузчик ЗСН-25
      • Решета и сита
        • Решета БИС-100
        • Решета БЛС-150
        • Решета БЦС-50
        • Решета ЗВС-20
        • Решета ОВС-25/СМ-4
        • Решета Петкус К527\547
        • Решета Петкус К531
      • Запчасти для сельхозтехники
        • Запасные части ОВС-25
        • Запасные части ЗВС-20
        • Запасные части на Зернометатели
          • Запасные части к зернометателям ЗПС-100 и ЗМ-60
          • Запасные части на зернопогрузчик ПЗС-80, ПЗС-100, ПЗС-150
          • Запасные части МЗС-90
          • Запасные части ПЗМ-80
          • Запасные части на Зернометатель А-100, А-150, А-200
        • Запасные части МПО-50, МПО-100, СПО-100, Alfa
        • Запасные части на Зерновые нории
          • Запасные части на Норию НПЗ-10
          • Запасные части на Норию НПЗ-20
          • Запасные части на Норию НПЗ-50
          • Запасные части на Норию НПЗ-100
          • Конвейерные ленты БКНЛ-65
        • Запасные части на МС-4,5
        • Запасные части для БИС-100 и БЛС-150
        • Запасные части на Петкус
          • Запасные части на Петкус К527/547
          • Запасные части на Петкус К531/218
        • Запасные части БЦС-50
        • Запасные части на дробилку КДУ-2
        • Запасные части на ЗСК-70\МЗК-70
        • Запасные части на МВР-6
        • Запасные части на Сепаратор МУЗ-16
        • Запчасти для погрузчика зерна ПЗН-250
        • Запасные части для протравителя ПС-10
        • Норийные болты
        • Запасные части для протравителя ПС-20
          • Запасные части на протравитель ПС-20 Маэстро Татагрохимсервис
          • Запасные части на протравитель ПС-20КП Ремком
          • Протравитель семян ПС-20К-4 Агристо
        • Запасные части на Протравливатель семян ПСК-15
        • Запасные части на КШП-6
        • Запасные части на СВУ-60
      • Нории зерновые
        • Зерновая Нория 25 т/ч
          • Окрашенная
          • Оцинкованная
        • Зерновая Нория 50т/ч
          • Окрашенная
          • Оцинкованная
        • Зерновая Нория 100т/ч
          • Окрашенная
          • Оцинкованная
        • Зерновая Нория 175т/ч
          • Окрашенная
          • Оцинкованная
      • Металлоконструкции ЗАВ
        • ЗАВ с МПО-100, ВРМ-70
        • ЗАВ с ВРМ-70
        • ЗАВ с МПО, ВРМ-70 и Т-12
        • ЗАВ с МПО, ЗВС-20М и Т-12
      • Грануляторы для комбикорма
      • Ковши норийные
        • Металлические ковши УКЗ
        • Полимерные ковши
      • Ленты Нории
    • Компания Агромаш
      • О компании
      • Отзывы
      • Реквизиты
      • Гарантии
        • О компании
        • Отзывы
        • Реквизиты
        • Гарантии
      • Новости
      • Статьи
    • Доставка
    • Документация
    • Контакты
    0
    Заказать звонок
    +7 (910) 129-71-54
    +7 (952) 472-76-05
    Интернет-магазин
    0
    Телефоны
    +7 (910) 129-71-54
    +7 (952) 472-76-05
    Заказать звонок
    • Нижний Новгород
      • Назад
      • Города
      • Воронеж
      • Самара
      • Уфа
      • Ростов-на-Дону
      • Нижний Новгород
    • Каталог оборудования
      • Назад
      • Каталог оборудования
      • Зерноочистительное оборудование
        • Назад
        • Зерноочистительное оборудование
        • Машины предварительной очистки зерна
        • Первичная очистка семян
        • Вторичная очистка семян
      • Аэраторы зерна
      • Зернометательная техника
        • Назад
        • Зернометательная техника
        • Зернометатель 100т/ч с редуктором
        • Зернометатель 100т/ч с мотор-редуктором
        • Зернометатель 150т/ч с редуктором
        • Зернометатель 150т/ч с мотор-редуктором
        • Зернометатель 200т/ч с мотор-редуктором
        • Ковшово Шнековый Погрузчик Р6-КШП-6
      • Техника для защиты семян / Протравливатели
      • Транспортеры и зернопровода
        • Назад
        • Транспортеры и зернопровода
        • Транспортер зерна шнековый
        • Транспортер скребковый
        • Самотечное оборудование
          • Назад
          • Самотечное оборудование
          • Зернопровод самотечный
          • Зернопровод самотечный с футеровкой из полиуретана
          • Сектор зернопровода
          • Перекидной клапан
          • Переходные патрубки
          • Задвижка реечная
          • Циклоны (центробежные пылеотделители)
        • Гаситель скорости потока зерна
        • Загрузчики (зернопогрузочное оборудование)
        • Конвейерные ролики
      • Передвижной загрузчик биг-бэгов ПЗ-100
      • Загрузчик ЗСН-25
      • Решета и сита
        • Назад
        • Решета и сита
        • Решета БИС-100
        • Решета БЛС-150
        • Решета БЦС-50
        • Решета ЗВС-20
        • Решета ОВС-25/СМ-4
        • Решета Петкус К527\547
        • Решета Петкус К531
      • Запчасти для сельхозтехники
        • Назад
        • Запчасти для сельхозтехники
        • Запасные части ОВС-25
        • Запасные части ЗВС-20
        • Запасные части на Зернометатели
          • Назад
          • Запасные части на Зернометатели
          • Запасные части к зернометателям ЗПС-100 и ЗМ-60
          • Запасные части на зернопогрузчик ПЗС-80, ПЗС-100, ПЗС-150
          • Запасные части МЗС-90
          • Запасные части ПЗМ-80
          • Запасные части на Зернометатель А-100, А-150, А-200
        • Запасные части МПО-50, МПО-100, СПО-100, Alfa
        • Запасные части на Зерновые нории
          • Назад
          • Запасные части на Зерновые нории
          • Запасные части на Норию НПЗ-10
          • Запасные части на Норию НПЗ-20
          • Запасные части на Норию НПЗ-50
          • Запасные части на Норию НПЗ-100
          • Конвейерные ленты БКНЛ-65
        • Запасные части на МС-4,5
        • Запасные части для БИС-100 и БЛС-150
        • Запасные части на Петкус
          • Назад
          • Запасные части на Петкус
          • Запасные части на Петкус К527/547
          • Запасные части на Петкус К531/218
        • Запасные части БЦС-50
        • Запасные части на дробилку КДУ-2
        • Запасные части на ЗСК-70\МЗК-70
        • Запасные части на МВР-6
        • Запасные части на Сепаратор МУЗ-16
        • Запчасти для погрузчика зерна ПЗН-250
        • Запасные части для протравителя ПС-10
        • Норийные болты
        • Запасные части для протравителя ПС-20
          • Назад
          • Запасные части для протравителя ПС-20
          • Запасные части на протравитель ПС-20 Маэстро Татагрохимсервис
          • Запасные части на протравитель ПС-20КП Ремком
          • Протравитель семян ПС-20К-4 Агристо
        • Запасные части на Протравливатель семян ПСК-15
        • Запасные части на КШП-6
        • Запасные части на СВУ-60
      • Нории зерновые
        • Назад
        • Нории зерновые
        • Зерновая Нория 25 т/ч
          • Назад
          • Зерновая Нория 25 т/ч
          • Окрашенная
          • Оцинкованная
        • Зерновая Нория 50т/ч
          • Назад
          • Зерновая Нория 50т/ч
          • Окрашенная
          • Оцинкованная
        • Зерновая Нория 100т/ч
          • Назад
          • Зерновая Нория 100т/ч
          • Окрашенная
          • Оцинкованная
        • Зерновая Нория 175т/ч
          • Назад
          • Зерновая Нория 175т/ч
          • Окрашенная
          • Оцинкованная
      • Металлоконструкции ЗАВ
        • Назад
        • Металлоконструкции ЗАВ
        • ЗАВ с МПО-100, ВРМ-70
        • ЗАВ с ВРМ-70
        • ЗАВ с МПО, ВРМ-70 и Т-12
        • ЗАВ с МПО, ЗВС-20М и Т-12
      • Грануляторы для комбикорма
      • Ковши норийные
        • Назад
        • Ковши норийные
        • Металлические ковши УКЗ
        • Полимерные ковши
      • Ленты Нории
    • Компания Агромаш
      • Назад
      • Компания Агромаш
      • О компании
      • Отзывы
      • Реквизиты
      • Гарантии
        • Назад
        • Гарантии
        • О компании
        • Отзывы
        • Реквизиты
        • Гарантии
      • Новости
      • Статьи
    • Доставка
    • Документация
    • Контакты
    • Главная
    • Сельскохозяйственная техника
    • Запчасти для сельхозтехники
    • Запасные части на Зернометатели в Нижнем Новгороде
    • Запасные части к зернометателям ЗПС-100 и ЗМ-60 в Нижнем Новгороде

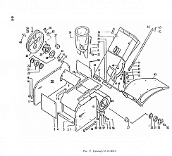
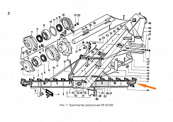
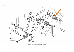
    Запасные части к зернометателям ЗПС-100 и ЗМ-60 в Нижнем Новгороде

    Цепь питателя ЗП 02.090 (16 скр., t=38.0),L=4864: купить в Нижнем Новгороде
    Цепь питателя ЗП 02.090 (16 скр., t=38.0),L=4864
    В наличии
    В корзину В корзине
    Цепь загрузчика ЗП 02.060 (27 скр, t=38.0), L=8208: купить в Нижнем Новгороде
    Цепь загрузчика ЗП 02.060 (27 скр, t=38.0), L=8208
    В наличии
    В корзину В корзине
    Храповик ЗПТ 1019А (ЗЭ 02.190): купить в Нижнем Новгороде
    Храповик ЗПТ 1019А (ЗЭ 02.190)
    В наличии
    В корзину В корзине
    Ход передний в сборе ЗП 01.020: купить в Нижнем Новгороде
    Ход передний в сборе ЗП 01.020
    В наличии
    В корзину В корзине
    Ход задний в сборе ЗП 01.220 (без колес): купить в Нижнем Новгороде
    Ход задний в сборе ЗП 01.220 (без колес)
    В наличии
    В корзину В корзине
    Ход задний в сборе ЗП 01.220 с дифференциалом (без колес): купить в Нижнем Новгороде
    Ход задний в сборе ЗП 01.220 с дифференциалом (без колес)
    В наличии
    В корзину В корзине
    Ход задний в сборе ЗП 01.220: купить в Нижнем Новгороде
    Ход задний в сборе ЗП 01.220
    В наличии
    В корзину В корзине
    Фиксатор ЗП 01.631 (в сборе): купить в Нижнем Новгороде
    Фиксатор ЗП 01.631 (в сборе)
    В наличии
    В корзину В корзине
    Тяга ЗП 01.230: купить в Нижнем Новгороде
    Тяга ЗП 01.230
    В наличии
    В корзину В корзине
    Тяга ЗА 03.100: купить в Нижнем Новгороде
    Тяга ЗА 03.100
    В наличии
    В корзину В корзине
    Труба (длинная) с тягой ЗА 03.070 "а": купить в Нижнем Новгороде
    Труба (длинная) с тягой ЗА 03.070 "а"
    В наличии
    В корзину В корзине
    Триммер ЗА 03.000 (Триммер+Труба+Носок): купить в Нижнем Новгороде
    Триммер ЗА 03.000 (Триммер+Труба+Носок)
    В наличии
    В корзину В корзине
    Триммер ЗА 03.000 без трубы и носка с ребристой лентой: купить в Нижнем Новгороде
    Триммер ЗА 03.000 без трубы и носка с ребристой лентой
    В наличии
    В корзину В корзине
    Транспортер ленточный ЗП 14.000: купить в Нижнем Новгороде
    Транспортер ленточный ЗП 14.000
    В наличии
    В корзину В корзине
    Транспортер загрузочный ЗП 02.000: купить в Нижнем Новгороде
    Транспортер загрузочный ЗП 02.000
    В наличии
    В корзину В корзине
    Загрузить еще
    • 1
    • 2
    • 3
    • 4
    • 5
    • 6
    • ...
    • 19
    • Зерноочистительное оборудование
    • Аэраторы зерна
    • Зернометательная техника
    • Техника для защиты семян / Протравливатели
    • Транспортеры и зернопровода
    • Передвижной загрузчик биг-бэгов ПЗ-100
    • Загрузчик ЗСН-25
    • Решета и сита
    • Запчасти для сельхозтехники
      • Запасные части ОВС-25
      • Запасные части ЗВС-20
      • Запасные части на Зернометатели
        • Запасные части к зернометателям ЗПС-100 и ЗМ-60
        • Запасные части на зернопогрузчик ПЗС-80, ПЗС-100, ПЗС-150
        • Запасные части МЗС-90
        • Запасные части ПЗМ-80
        • Запасные части на Зернометатель А-100, А-150, А-200
      • Запасные части МПО-50, МПО-100, СПО-100, Alfa
      • Запасные части на Зерновые нории
      • Запасные части на МС-4,5
      • Запасные части для БИС-100 и БЛС-150
      • Запасные части на Петкус
      • Запасные части БЦС-50
      • Запасные части на дробилку КДУ-2
      • Запасные части на ЗСК-70\МЗК-70
      • Запасные части на МВР-6
      • Запасные части на Сепаратор МУЗ-16
      • Запчасти для погрузчика зерна ПЗН-250
      • Запасные части для протравителя ПС-10
      • Норийные болты
      • Запасные части для протравителя ПС-20
      • Запасные части на Протравливатель семян ПСК-15
      • Запасные части на КШП-6
      • Запасные части на СВУ-60
    • Нории зерновые
    • Металлоконструкции ЗАВ
    • Грануляторы для комбикорма
    • Ковши норийные
    • Ленты Нории
    Фильтр по параметрам
    Статус
    Выбрано 0 Показать
    Выбрано 0 Показать
    Комплексное решение
    Комплексное решение Широкий ассортимент
    товаров и низкие цены
    Представительства по России
    Представительства по России
    Комплексное решение
    Комплексное решение Широкий ассортимент
    товаров и низкие цены
    Представительства по России
    Представительства по России
    Цель нашей компании —
    предложение широкого ассортимента товаров и услуг на постоянно высоком качестве обслуживания.
    Компания
    О компании
    Отзывы
    Реквизиты
    Гарантии
    Новости
    Статьи
    Каталог
    Зерноочистительное оборудование
    Аэраторы зерна
    Зернометательная техника
    Техника для защиты семян / Протравливатели
    Транспортеры и зернопровода
    Передвижной загрузчик биг-бэгов ПЗ-100
    Загрузчик ЗСН-25
    Решета и сита
    Запчасти для сельхозтехники
    Нории зерновые
    Металлоконструкции ЗАВ
    Грануляторы для комбикорма
    Ковши норийные
    Ленты Нории
    Наши контакты

    +7 (910) 129-71-54
    +7 (952) 472-76-05
    Пн-Пт: с 8.00 до 17.00; Сб, Вс: выходной
    Нижний Новгород, д. Федяково, ул. Луговая, 6а
    agromash52@yandex.ru
    © 2026 Все права защищены.
    Карта сайта
    ИНН: 366 215 18 57
    ОГРН: 9911001123456
    Товар добавлен в корзину
    Продолжить В корзину
    0